
FARBE - nicht zur Verwendung empfohlen | FARBE - Modul/Gerät hergestellt
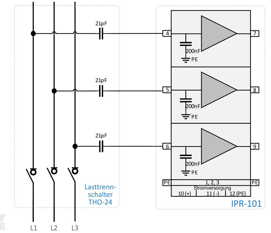
Die Messschnittstelle IPR-101 wird zum Zusammenwirken mit dem Lasttrennschalter THO-24 der Firma ZPUE SA aus Włoszczowa verwendet. Die Messschnittstelle funktioniert nach dem Prinzip eines kapazitiven Spannungsteilers. Die interne elektronische Schaltung in IPR-101 puffert den Spannungsteiler und verstärkt das erhaltene Signal auf das Niveau des Eingangsspannungsbereichs des Steuergerätes.
Die maximal zulässige Spannung des Teilers beträgt 24kV. Die primärseitige Nennspannung beträgt 22/√3kV, die sekundärseitige Nennspannung beträgt 6,5/√3V.
Das Gerät ist für die Montage auf einer 35mm DIN-Schiene vorgesehen. [-]
Die Messschnittstelle IPR-104 wird für die Messung der Spannung aus Sammelschienen in MS/NS-Umspannwerken verwendet. Sie ist so konzipiert, dass sie mit einem im Isolator eingebauten Kondensator von 20pF÷31pF zusammenarbeitet. Dieser Kondensator bildet die Hälfte des Spannungsteilers. Die interne elektronische Schaltung in IPR-104 puffert den Spannungsteiler und verstärkt das erhaltene Signal auf das Niveau des Eingangsspannungsbereichs des Steuergerätes.
Die maximal zulässige Spannung des Teilers beträgt 24 kV. Die primäre Nennspannung beträgt 22/√3 kV, während die Nennspannung auf der Sekundärseite 3,25/√3 V beträgt.
Nachstehend ist ein Schaltplan mit einer Beschreibung der Anschlussbelegung dargestellt.
Das Gerät ist für die Montage auf einer 35mm DIN-Schiene vorgesehen. [-]
Die Messschnittstelle IPR-107 ist für den Einsatz mit einem Kleinspannungswandler (LPVT) vom Typ UR56 konzipiert. Dieser Wandler eignet sich für den Betrieb mit Verbinder-, Koppelmuffen und mit ausgewählten Überspannungsbegrenzern. Der IPR-107 dient auch als impedanzanpassende Folgerschaltung, so dass es möglich ist, mehrere Steuergeräte an einen einzigen Sensor anzuschließen.
Die Nennspannung der Messschnittstelle beträgt 3,25/√3 V. Die höchstzulässige Spannung beträgt 3,53 V, die Messgenauigkeit liegt bei 5 %.
Nachstehend ist ein Schaltplan mit einer Beschreibung der Anschlussbelegung dargestellt.
Das Gerät ist für die Montage auf einer 35mm DIN-Schiene vorgesehen. [-]
Wykopy 2/4
60 - 001 Poznań
Polen
NIP: 779 25 02 760